产品中心

品牌logo
品牌logo
品牌logo 首页/产品中心 /低温恒温器

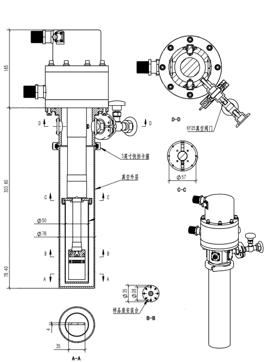
闭循环低温恒温器LH-CEC

所属栏目:低温恒温器

发布时间:2026-03-30

简单介绍:

了解更多 >
特点
结构
参数
说明书

•  可配备恒温器支架、实现水平或者垂直放置、出厂默认支架垂直朝上

•  制冷过程无需消耗液氦

•  全程无值守降温、软件实时测量温度

•  可选配多样的电学测试引线:无氧铜漆包线、磷青铜热导率低的低温线、低温同轴线以及低温三同轴线

•  可选高频测量导线和接口、可选BNC、SMA、1.85、2.4、2.92等接口

•  无氧铜镀金样品座

•  可选插拔样品托,可增加测量引线数量

•  最大可安装样品40x40mm

•  客户定制样品托